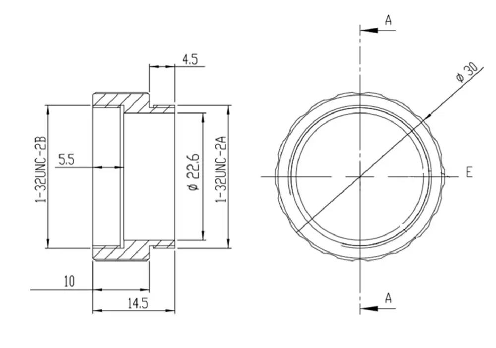
Der HikRobot Verlängerungsring C-C T10 ist ein robuster 10-mm-Zwischenring für C-Mount-Kameras und C-Mount-Objektive. Er vergrößert den Abstand zwischen Kamera und Objektiv, wodurch der minimale Fokusabstand verkürzt und die Abbildungsvergrößerung erhöht wird – ideal für Nahbereichs- und Makroanwendungen in der Maschinenvision.
Der Verlängerungsring ist vollständig RoHS 2.0-konform und lässt sich problemlos mit kompatiblen HikRobot C-Mount-Kameras und Objektiven kombinieren. Er eignet sich für Anwendungen in der automatisierten Inspektion, optischen Messtechnik und Qualitätssicherung, bei denen präzise Nahbereichsaufnahmen erforderlich sind.


